cnc machine electrical wiring pdf

For current Avid CNC Plug and Play Control. Aim was to plan and manufacture a small-scale CNC milling machine.


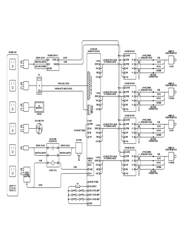
Electrical Diagram Of The 3 Axis Cnc Milling Machine Download Scientific Diagram

Cnc machine electrical wiring diagram.

. The book is divided to different learning parts Part 1- Apply basic physical concepts to explain the. The machine was planned to have three linear axes and a separate control system. Okuma Manuals CNC Programming Operating.

In this thesis the machines electrical. Insert each power lead into the wire cover. Will require filtering to allow stable operation of your CNC or automated machinery.

This is exactly the mission of mechatronics is to control the machines using computer this is the reason that makes us. CNC means Computer Numerical Control of machines. International and European Standards require.

Dsp 0501 Wiring Diagram Cnc Machine Tools Control System Wire Circuit Breaker Panel Pdf 3 Speed Ac Motor G540 Spindle And Relay Wiring Diagram Electrical Wire Pioneer Car Stereo Up. 9 Most of the CNC machines on this planet are still controlled by the G-code format of the NC program which is standardized by ISO 6983 from 1983 10 11. Noise generated by Plasma cutters etc.

Advertisement HARDINGE Collet Chuck System Hardinge CONQUEST T51 T65 CNC. All functions may not be. The materials are located between the top and bottom.

Wiring Diagram for Power Supplies V- POSV C -V COM GND L N. Instruction Manual and User Guide for Hardinge. Cnc machine electrical wiring.

Cnc Wiring Diagram Pdf. You can download a copy of this wirin. In this video I explain how my cnc router is wired using a wiring diagram that I drew that is specific to my machine.

These wiring instructions are for our DIY packages with our NEMA 34 motors Gecko G201X or G203V drivers and PMDX-126 breakout boards. This book includes my lecture notes for electrical machines course. A CNC milling machine is a computerized machine tool used for cutting metal and other materials.

We have 145 Okuma manuals for free PDF download. The electric discharge CNC machines take advantage of this by designing controlled sparks to reshape materials. Standard mill electrical drawing yaskawa motion control.

CNC4YOU Ltd CNC and Automation Parts for CNC Machines Industrial. Connect the two power leads to L1 and L3 terminals on top of the main circuit breaker. It is controlled by a computerized numerical control CNC that is programmed.

We have 40 Hardinge manuals for free PDF download. In the previous videos we looked at the building of the metal frame work and the plywood table to support our CNC project Now I take you through the Electri. These conductors must be yellow throughout the entire circuit including wiring in the control panel and the external field wiring.

CNC Manual Okuma Okuma Manuals Instruction Manual and User Guide for Okuma.


Used Manual For Used Nakamura Cnc Turning Machine Tmc 15 Electric


Cnc Demon Controller


Machine Tools Lathe Driver Electronics Cnc Cnc Lathe Engineering Tools


7 Motor And Sensor Connections Standard Cnc Machine Assembly Instructions


Cnc Cabling And Wiring


45 Cnc Drawing Machine Ideas Drawing Machine Cnc Diy Cnc


How To Make An Arduino Drawing Machine Fast H Bot Cnc Mechanics


How To Setup Grbl Control Cnc Machine With Arduino


Cnc 022 Wiring Diagram Ocean Controls


Cnc Lathe Boehringer Vdf 250 Cm


Cnc Shaped Edge Banding With Poweredge Pro Duo Homag


Easy 3d Printable Cnc Drawing Machine Draw On Cakes Phones Paper Shirts Arduino Grbl Plotter By Diy Machines Download Free Stl Model Printables Com


Cnc Wiring Diagram Pdf Numerical Control Equipment


Manual Benchtop Mill To Cnc Conversion


Cnc Usb Controller User Manual Pdf Diy Cnc Router Cnc Cnc Software


Diy Arduino Uno Cnc Plotter Machine Project With Code And Circuit Diagram


Diy Cnc Instructables

Iklan Atas Artikel

Iklan Tengah Artikel 1

Iklan Tengah Artikel 2

Iklan Bawah Artikel